Skip to content Skip to sidebar Skip to footer

John Deere 4600 Hydraulic System Diagram

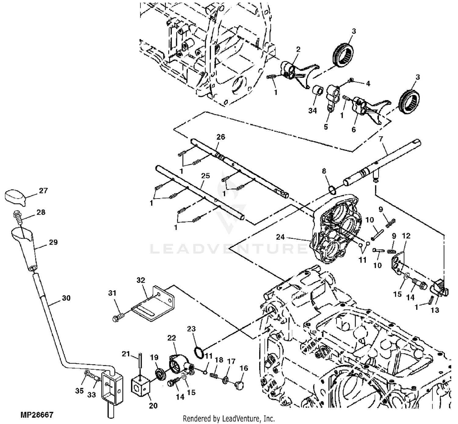
John Deere 4500 4600 4700 Repair Manual Compact Utility Tractors Youfixthis

John Deere 4500 4600 4700 Repair Manual Compact Utility Tractors Youfixthis

John deere 4600 hydraulic system diagram. Saturday I paid a visit to the John Deere dealer in Battlecreek MI. Page 2 John Deere Model 4600 Compact Utility Tractor Parts. Electronic technical manual contains service and maintenance information technical service instructions special installation instructions operator manuals system manuals technical specifications designed for tractor John Deere 4620.

Photo of 4600 serial number. This will allow you to connect a wide variety of attachments to this tractor. 4-In-1 Bucket YEAR - 2004.

Armrest Set Black Vinyl fits John Deere 4710 4510 856 4200 4210 4610 755 4600 855 955 655 655 756 4410 4700 4500 4105 4400 4310. Electrical System 4 Information and Diagrams 5-1 Section 40 ELECTRICAL SYSTEM CONTENTS OF THIS SECTION Page. Its all the better with the TractorPlus App for your 1 2 3 or 4 Series compact utility tractor and select 5 Series utility tractors.

As shown above we have hand picked a variety of implements based on the John Deere 4600 specs that. Loaded with tools that offer in-depth information the TractorPlus App features a built-in barcode scanner to identify your equipment and unlock a wealth of information from maintenance. John Deere 4640 tractor overview.

John Deere Hydraulic Oil Filter Assembly - LVA10420 0 24570. John Deere Parts Diagrams John Deere 460 Loader Manufactured 1998-2005 -PC2664. Technical manual helps troubleshoot computer systems.

This factory John Deere Service Manual Download will give you complete step-by-step information on repair servicing and preventative maintenance for your John Deere. Original manufacturing unit manuals for John Deere Tractors Dozers Combines Excavators Movers incorporates excessive. Seems the tractor suddenly decided to take February off.

Make a selection to see related parts for that machine. John Deere parts lookup tool and diagram is an incredible online source.

John Deere 4500 4600 4700 Compact Utility Tractors Tm1679

John Deere 4500 4600 4700 Compact Utility Tractors Tm1679

2

2

Jd4600 Hydraulic Problem Help Tractorbynet

Jd4600 Hydraulic Problem Help Tractorbynet

John Deere 4500 4600 And 4700 Compact Utility Tractos The Repair Manual

John Deere 4500 4600 And 4700 Compact Utility Tractos The Repair Manual

Rear Auxiliary Hydraulic Kit New Tractor Compact Utility John Deere 4600 Tractor Compact Utility 4600 Compact Utility Tractors Hydraulics Rear Auxiliary Hydraulic Kit New 777parts

Rear Auxiliary Hydraulic Kit New Tractor Compact Utility John Deere 4600 Tractor Compact Utility 4600 Compact Utility Tractors Hydraulics Rear Auxiliary Hydraulic Kit New 777parts

John Deere 4500 4600 4700 Compact Utility Tractors Tm1679

John Deere 4500 4600 4700 Compact Utility Tractors Tm1679

John Deere 4600 Hydrostatic Transmission Pc10439 1999 Model Lv4600h160001 366000 4600 Hydrostatic Transmission Pc10439 2000 Model Lv4600h366001 460000 4600 Hydrostatic Transmission Pc10439 2001 Model Lv4600h460001 999999 4600 Hydrostatic

John Deere 4600 Hydrostatic Transmission Pc10439 1999 Model Lv4600h160001 366000 4600 Hydrostatic Transmission Pc10439 2000 Model Lv4600h366001 460000 4600 Hydrostatic Transmission Pc10439 2001 Model Lv4600h460001 999999 4600 Hydrostatic

John Deere 4500 4600 4700 Compact Utility Tractors Tm1679

John Deere 4500 4600 4700 Compact Utility Tractors Tm1679

Tm1679 John Deere 4500 4600 4700 Compact Utility Tractors All Inclusive Technical Service Manual Deere Technical Manuals

Tm1679 John Deere 4500 4600 4700 Compact Utility Tractors All Inclusive Technical Service Manual Deere Technical Manuals

John Deere 4500 4600 4700 Repair Manual Compact Utility Tractors Youfixthis

John Deere 4500 4600 4700 Repair Manual Compact Utility Tractors Youfixthis

Lifting System Old Products Volvo Bm Volvo 4600 Hydraulic System Digging Handling Grading Equipm Misc Equip Working Hydraulics Servo Hydraulics 777parts

Lifting System Old Products Volvo Bm Volvo 4600 Hydraulic System Digging Handling Grading Equipm Misc Equip Working Hydraulics Servo Hydraulics 777parts

John Deere 4500 4600 And 4700 Tractor Service Manual

John Deere 4500 4600 And 4700 Tractor Service Manual

John Deere 4600 Compact Utility Tractor Service Repair Manual By Iobok17e Issuu

John Deere 4600 Compact Utility Tractor Service Repair Manual By Iobok17e Issuu

Hydraulic Lines Stabilizer Swing Tractor Compact Utility Attachment John Deere 4600 Tractor Compact Utility Attachment 46 47 48 375 447 448 And 485 Backhoes For 4000 Series Compact Utility Tractor Backhoe 375 Hydraulic Lines

Hydraulic Lines Stabilizer Swing Tractor Compact Utility Attachment John Deere 4600 Tractor Compact Utility Attachment 46 47 48 375 447 448 And 485 Backhoes For 4000 Series Compact Utility Tractor Backhoe 375 Hydraulic Lines

Oil Fuel La680 Spool Valve Leak Spewing Oil Problem Tractorbynet

Oil Fuel La680 Spool Valve Leak Spewing Oil Problem Tractorbynet

John Deere Tractors 7210r 7230r 7250r 7270r 7290r 7310r Diagnosis And Tests Service Technical Manual Tm118819 A Repair Manual Store

John Deere Tractors 7210r 7230r 7250r 7270r 7290r 7310r Diagnosis And Tests Service Technical Manual Tm118819 A Repair Manual Store

Pin On Workshop Service Manuals

Pin On Workshop Service Manuals

How To Check Hydraulic Fluid Level On John Deere Tractor Pape Machinery

How To Check Hydraulic Fluid Level On John Deere Tractor Pape Machinery

Jd 1120 Hydraulic Question Tractor Forum

Jd 1120 Hydraulic Question Tractor Forum

John Deere 6130r Tractors Everglades Equipment Group

John Deere 6130r Tractors Everglades Equipment Group

Ford 4600 Hydraulic Removal Yesterday S Tractors

Ford 4600 Hydraulic Removal Yesterday S Tractors

Ford 2600 3600 4100 4600 5600 6600 6700 7600 And 7700 Tractors Complete Service Manual Farm Manuals Fast

Ford 2600 3600 4100 4600 5600 6600 6700 7600 And 7700 Tractors Complete Service Manual Farm Manuals Fast

John Deere Tractors 8320rt 8345rt 8370rt Diagnosis And Tests Service Technical Manual Tm119219 A Repair Manual Store

John Deere Tractors 8320rt 8345rt 8370rt Diagnosis And Tests Service Technical Manual Tm119219 A Repair Manual Store

2030 Hydraulic Problems Page 2 Green Tractor Talk

2030 Hydraulic Problems Page 2 Green Tractor Talk

Ford 4100 4110 4600 4610 4630 Tractor Service Manual

Ford 4100 4110 4600 4610 4630 Tractor Service Manual

Ford 2600 3600 4100 4600 5600 6600 6700 7600 7700 Service Manual Tractor 40231090 Erepairinfo Com

Ford 2600 3600 4100 4600 5600 6600 6700 7600 7700 Service Manual Tractor 40231090 Erepairinfo Com

Row Crop Tractors 8370r John Deere Asia

Row Crop Tractors 8370r John Deere Asia

Index For John Deere Tractor Parts Manualzz

Index For John Deere Tractor Parts Manualzz

Pin On Backhoe Loaders Technical Repair Service Manuals

Pin On Backhoe Loaders Technical Repair Service Manuals

John Deere 4500 4600 4700 Repair Manual Compact Utility Tractors Youfixthis

John Deere 4500 4600 4700 Repair Manual Compact Utility Tractors Youfixthis

Pto Valve Tractor Compact Utility John Deere 4600 Tractor Compact Utility 4600 Compact Utility Tractors Power Train Hydro Hst Pto Valve 777parts

Pto Valve Tractor Compact Utility John Deere 4600 Tractor Compact Utility 4600 Compact Utility Tractors Power Train Hydro Hst Pto Valve 777parts

Ford Hydraulic Pumps Page 232 Sparex Parts Lists Diagrams Malpasonline Co Uk

Ford Hydraulic Pumps Page 232 Sparex Parts Lists Diagrams Malpasonline Co Uk

Explaining Tractor Remotes Scv S 3rd 4th 5th Function Power Beyond Electric Diverter Kits Youtube

Explaining Tractor Remotes Scv S 3rd 4th 5th Function Power Beyond Electric Diverter Kits Youtube

473 9925 Tank Mtg Gp Hydraulic S N Ej41 Up Part Of 477 9753 547 9075 Hydraulic Ar Type 2 426 F2 Backhoe Loader Avspare Com

473 9925 Tank Mtg Gp Hydraulic S N Ej41 Up Part Of 477 9753 547 9075 Hydraulic Ar Type 2 426 F2 Backhoe Loader Avspare Com

4200 Hydraulic Questions 3 Point Won T Lift Green Tractor Talk

4200 Hydraulic Questions 3 Point Won T Lift Green Tractor Talk

John Deere 6110j 6125j 6130j 2wd Or Mfwd Tractors Repair Manual Wo Manual4you

John Deere 6110j 6125j 6130j 2wd Or Mfwd Tractors Repair Manual Wo Manual4you

Cat 990h Wheel Loader Hydraulic System

Cat 990h Wheel Loader Hydraulic System

Ford 6610 6710 7610 7810 7710 8210 Workshop Manual

Ford 6610 6710 7610 7810 7710 8210 Workshop Manual

Ford 4600 Su Pto Lift Trouble Question My Tractor Forum

Ford 4600 Su Pto Lift Trouble Question My Tractor Forum

Ford Tractor Parts Online Parts Store For Tractors

Ford Tractor Parts Online Parts Store For Tractors

John Deere 4600 4000 Series Compact Utility Tractors Maintenance Guide Green Farm Parts

John Deere 4600 4000 Series Compact Utility Tractors Maintenance Guide Green Farm Parts

Tm119019 John Deere 8245r 8270r 8295r 8320r 8335r 8345r 8370r 8400r Tractors Diagnostic Manual Deere Technical Manuals

Tm119019 John Deere 8245r 8270r 8295r 8320r 8335r 8345r 8370r 8400r Tractors Diagnostic Manual Deere Technical Manuals

Front Axle Parts For John Deere Compact Tractors

Front Axle Parts For John Deere Compact Tractors

I Have A Deere 4600 Tractor With A Diesel Problem It Will Start Sometimes And Now Will Not Start At All I Have

I Have A Deere 4600 Tractor With A Diesel Problem It Will Start Sometimes And Now Will Not Start At All I Have

John Deere 4500 4600 4700 Compact Utility Tractors All Inclusive Technical Service Manual Tm1679 Truck Service Manual Store

John Deere 4500 4600 4700 Compact Utility Tractors All Inclusive Technical Service Manual Tm1679 Truck Service Manual Store

John Deere 4500 4600 And 4700 Compact Utility Tractos The Repair Manual

John Deere 4500 4600 And 4700 Compact Utility Tractos The Repair Manual

Row Crop Tractors 8370r John Deere Asia

Row Crop Tractors 8370r John Deere Asia

Cat 990h Wheel Loader Hydraulic System

Cat 990h Wheel Loader Hydraulic System

Tractordata Com John Deere 4600 Tractor Information

Tractordata Com John Deere 4600 Tractor Information

Hydraulic Pump w New Piston Housing - Reman.

Please select your particular tractor. It is a complete catalog that shows you detailed parts diagrams of every part of your machine. This will allow you to connect a wide variety of attachments to this tractor. Ford 2600 3600 4100 4600 5600 6600 6700 7600 7700 Tractor SERVICE manual se 3660. John Deere 4640 tractor overview. 1999-Price at production date. The John Deere 4600 is a 2WD or 4WD compact utility tractor from the 4000 compact series. For larger images see upper left corner of page. John Deere 4500 4600 4700 Utility Tractors Service Technical Manualtm1679 Download Service Manual.


John Deere parts lookup tool and diagram is an incredible online source. It is a complete catalog that shows you detailed parts diagrams of every part of your machine. Original Illustrated Factory Workshop Service Manual for John Deere Tractor Lawn Grounds Care Division Tractor. Armrest Set Black Vinyl fits John Deere 4710 4510 856 4200 4210 4610 755 4600 855 955 655 655 756 4410 4700 4500 4105 4400 4310. Electronic technical manual contains service and maintenance information technical service instructions special installation instructions operator manuals system manuals technical specifications designed for tractor John Deere 4620. Please select your particular tractor. John Deere 4500 4600 4700 Compact Utility Tractors Technical Manual TM1679 John Deere 220A Walk-Behind Greensmower Technical Manual TM1680 John Deere RZI 700 Root Zone Injection System Technical Manual TM1681 John Deere 1600 1620 1600 Turbo Wide.

Post a Comment for "John Deere 4600 Hydraulic System Diagram"